Categorie
Articolo no. 296.044.053
Numéro-E 808 477 000
Specifiche tecniche
Categoria di test T2 / T3  
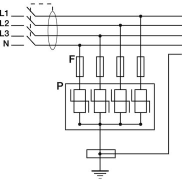
Numero di poli 3  
Dispersione corrente (Imax) 40 kA  
Tempo di risposta [ta] ≤20 ns  
Livello di protezione [Up] 1.1 kV  
Sezione nominale del conduttore (min/max) 2.5 - 25.0 mm²
Frequenza nominale [fn] 0.0 - 100.0 Hz
Corrente impulsiva di dispersione nominale (8/20) 20 kA  
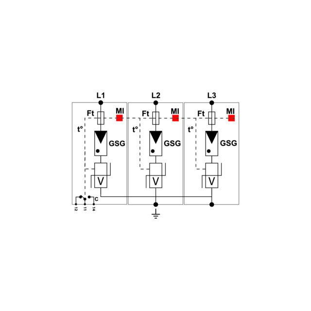
Contatto di segnalazione Sì  
Tensione nominale AC 230 V  
Tensione continua AC max. 275 V  
Shock combinato [Uoc] 10 kV  
Livello di protezione mas. (a 5kA) 0.8 kV  
Livello di protezione mas. (a 12.5kA) 0.95 kV  
Livello di protezione mas. (a Imax) 1.5 kV  
Operativo perdita guasto [Ic] 0 kA  
Corrente sequenziale [IF] 0 kA  
Capacité d'extinction actuelle [Ifi] Unendlich kA eff  
TOV-tensione L-N [UT] 450 V / 5 sec.  
Resistenza cortocircuito (Icw) 25 kA  
Segnalazione di guasto Mechanisch, Rot  
Temperatura esteso -40.0 - 85.0 °C
Grado di protezione IP20  
fusibile max. (gG) 125 A  
Montaggio su Hutschiene 35 mm  
Segnalazione sul dispositivo ottico  
Sezione di collegamento contatto di segnalazione. 1.5 mm²  
Capacità di commutazione 250 V / 0,5 A (AC) - 30 V / 2 A (DC)  
Forma della rete  
Classe di prova tipo 2 Sì  
Livello di protezione L-N [Up] 1.1 kV  
20/Pol  
Resistente a corto circuito Sì  
Fusibile ausiliario integrato No  
Con contatto telecomunicazioni Sì  
Tipo di montaggio barra cieca 35 mm  
Grado di protezione (IP) IP20  
Materiale della scatola  
Dimensione 3 HP  
Norme e Direttive
Norme di prova Germania  
Norme di prova internazionale IEC 61643-11  
Norme di prova USA UL 1449 ed.3  
Norme di prova Europa EN 61643-11  
Omologazione VDE, ÖVE und UL  
Specifiche commerciali
Numero di tariffa doganale 85363000  
paese di origine NUL  
Specificazione logistica
VPE Peso 0.3 kg